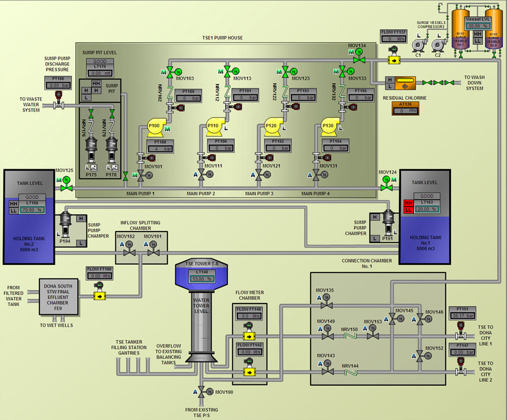
PLC and SCADA Software Development
The SIMOCODE pro motor management devices are all-rounders. They can be connected to higher-level automation systems easily using PROFIBUS. Each one can handle all motor protection and control functions, are capable to communicate operational, diagnostic and statistical data, and can organize the communication between automation systems and motor feeders - providing both intelligent motor management and future-oriented energy management
Benefits:
- Cost and space saving
- Service and diagnostics data available
- Reduced wiring
- Communication via Profibus DP
.


